Skip to content
Primary Menu
Home
CAD + Blueprints
eAbout
Republic-Ford JB-2 (V1) Project
LET L-23 Blanik Glider Project:
Search
Search for:
Aviation CAD TechNotes
Historical Aviation Research, Ordinate Studies, P-51, FW190, Ta152, DH82c, P-39, Bf109, F4F, F6F & F4U
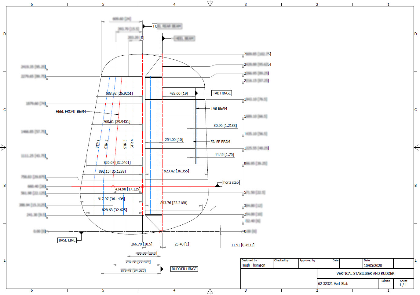
B-25 Vert stab
Previous Article
NAA B25 Mitchell: New Project
Leave a comment
Cancel reply
Δ
Comment
Subscribe
Subscribed
Aviation CAD TechNotes
Join 62 other subscribers
Sign me up
Already have a WordPress.com account?
Log in now.
Aviation CAD TechNotes
Subscribe
Subscribed
Sign up
Log in
Copy shortlink
Report this content
View post in Reader
Manage subscriptions
Collapse this bar